
Ca tombe bien j'en avais commencé un ; je prends la suite pour quelques précisions.
Couple de serrage de la vis de vidange = 30 N.m (pour donner une idée c'est l'équivalent de 15 kg de traction au bout d'une clé de 20cm de longueur)
Couple de serrage du filtre = 26 N.m
Couple de serrage du bouchon de remplissage = à la main, toujours !
Quantité d'huile / boite manuelle =
- 3,1 l après remplacement simple de l'huile
- 3,4 l si changement du filtre en plus
- 3,7 l après démontage du moteur
Quantité d'huile / boite auto =
- 3,1 l après remplacement simple de l'huile
- 3,4 l si changement du filtre en plus
- 3,7 l après démontage du moteur
Type d'huile = SAE 10w30 API= SG ou supérieur
Après démontage du filtre, il faut vérifier que le tube fileté qui est dans le carter moteur n'a pas tourné. Si la coté est supérieure à 17mm ou inférieure à 16mm => déposer complètement le tube fileté et le remonter au frein filet fort.
Avant le montage du filtre : lubrifier sont joint et son taraudage avec un peu d'huile. Nettoyer la portée du joint sur le carter moteur.
Les dimensions du joint sont : inter Ø12 x exter Ø19 x epaisseur 1,5mm
On en trouve parfois par paquet 4 dans les centres auto.
Bien prendre un joint alu car la matière du joint correspond au couple de serrage.
Après toute vidange :
- Vérifier le niveau (oui j'en connais un qui a remis de l'huile sans remettre la vis de vidange. L'huile neuve est tombée "ni vu ni connu" dans le bac de récupération)
- démarrer sans donner de coups de gaz car les filtres neufs sont vides, il faut donc quelques secondes pour que le circuit d'huile se refasse correctement.
- Laisser tourner au ralenti 2-3 minutes
- refaire le niveau
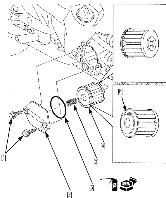
Pour ceux qui ont une boite auto il y a un second filtre pour l'embrayage sur le coté droit ; ça serait dommage de faire les choses à moitié. Y a juste à démonter le couvercle 2 pour le trouver.
En ouvrant le joint 5 et le ressort 3 vont probablement tomber et ça va dégueuler de l'huile => bac de récup'
Au remontage attention :
- le filtre a un sens
- lubrifier le joint 5 avec de l'huile ; en plus ça va aider au montage en le collant dans son logement.
- serrer les 2 vis en même temps à la main puis serrage à la clé au couple de 10 N.m ( équiv. à une traction de 10kg au bout d'une clé de longueur 10cm)