Schéma électrique
- clod
- Modérateur
- Messages : 1439
- Enregistré le : dim. 20 oct. 2013 18:38
- Moto : NC750X 2016
- Kilométrage : 11000
Schéma électrique
C'est une demande que j'ai lu plusieurs fois.
Patience, comme je n'ai qu'un petit scanner A4, il faut que je fasse du "raboutage".
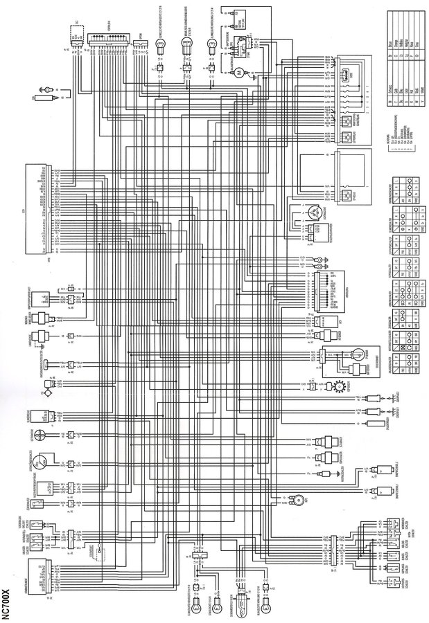
Voici déjà pour la NC700X (sans ABS) à suivre ...
Patience, comme je n'ai qu'un petit scanner A4, il faut que je fasse du "raboutage".
Voici déjà pour la NC700X (sans ABS) à suivre ...
Je ne ronfle pas ! Je rêve que je suis une NC.
- clod
- Modérateur
- Messages : 1439
- Enregistré le : dim. 20 oct. 2013 18:38
- Moto : NC750X 2016
- Kilométrage : 11000
Re: Schéma électrique
Pour la NC700XA (donc avec l'ABS)
Je ne ronfle pas ! Je rêve que je suis une NC.
- clod
- Modérateur
- Messages : 1439
- Enregistré le : dim. 20 oct. 2013 18:38
- Moto : NC750X 2016
- Kilométrage : 11000
Re: Schéma électrique
Pour la NC700X DCT.
Attention, il pique les yeux celui là
Attention, il pique les yeux celui là
Je ne ronfle pas ! Je rêve que je suis une NC.
- algo
- Messages : 2040
- Enregistré le : mar. 30 juil. 2013 08:35
- Moto : NC700X DCT 2012 Roug
- Kilométrage : 34000
- Localisation : Beaujolais
Re: Schéma électrique
Oups merci quand même mais j'avoue que pour moi c'est incompréhensible (hélas)!

Algo NC700X DCT Rouge!!
Mon site Balades et Essais ( http://photalgo.fr/)
Mon site Balades et Essais ( http://photalgo.fr/)
Re: Schéma électrique
C'est pas compliqué !! le fil rouge sur le bouton rouge et le fil vert sur le bouton vert......put'1 si je tenais le con qu'a fait sauter le pont !!!
- lanternier
- Messages : 1073
- Enregistré le : dim. 31 mars 2013 22:09
- Localisation : Corbas (69) et un peu sur Annecy
Re: Schéma électrique
Même si ils piquent les yeux, merci Claude !
ALors.... il a dit, le fil rouge sur le bouton rouge, et le fil vert.......
ALors.... il a dit, le fil rouge sur le bouton rouge, et le fil vert.......
Inscrivez-vous sur la carte des NC700 !!
Re: Schéma électrique
Bonjour sympa les schémas je dois monter une alarme sur mon NCX DCT 750 ce doit être le même que pour le 700.
Il n' y aurais pas la version anglaise, j'ai l'impression que les textes sont en Allemand ?
merci d'avance
Joel
Il n' y aurais pas la version anglaise, j'ai l'impression que les textes sont en Allemand ?
merci d'avance
Joel
- clod
- Modérateur
- Messages : 1439
- Enregistré le : dim. 20 oct. 2013 18:38
- Moto : NC750X 2016
- Kilométrage : 11000
Re: Schéma électrique
Je n'ai que la doc en allemand, désolé. Mais il existe plein de site de trad pour t'aider.
Je ne ronfle pas ! Je rêve que je suis une NC.
- lanternier
- Messages : 1073
- Enregistré le : dim. 31 mars 2013 22:09
- Localisation : Corbas (69) et un peu sur Annecy
Re: Schéma électrique
Je ne sais pas vous, mais moi, ça me rappelle le jeu du labyrinthe avec le lapin et la carotte :
"Petit lapin est tout triste
. Il a perdu sa carotte !
Pourras-tu l'aider à la retrouver ?
"
Bisouilles, Claude
"Petit lapin est tout triste
Pourras-tu l'aider à la retrouver ?
Bisouilles, Claude
Inscrivez-vous sur la carte des NC700 !!